Рухен находится в авангарде инноваций технологии герметизации. Независимые разработанные пылевые уплотнения высокого давления точно закрепляют пылезащитные требования движущихся деталей, и используют пылевые кольца PTFE и уплотнительные кольца, чтобы создать отличную защиту. При работе уплотнительное кольцо применяет стабильную предварительную нагрузку, чтобы все время компенсировать износ кольца PTFE, обеспечивая долгосрочную стабильность уплотнения; Пылевое кольцо использует анти-одежда, чтобы сильно противостоять вторжению в пыль. Например, в суставах гидравлических цилиндров строительного механизма, обращенного к пыли на строительной площадке, пылевые уплотнения высокого давления эффективно блокируют вторжение пыли и обеспечивают плавную работу цилиндра; Попиративное свинг-канал роботизированной руки автоматизированной производственной линии, ее пылевые уплотнения защищают точные детали от вмешательства пыли и поддерживают высокие операции; и спираль, передаваемое устройством горного оборудования, в окружающей среде пыли руды, пылевые уплотнения высокого давления обеспечивают стабильную работу оборудования, уменьшают потенциальные разломы и продлевают срок службы оборудования. Уплотнение Ruichen давно сосредотачивается на углубленном развитии. Опираясь на профессиональную команду и передовые объекты, он может не только настроить высокопроизводительные герметизирующие материалы в соответствии с потребностями клиентов и независимо контролировать качество производства, но и зарезервировать богатые и разнообразные материалы, такие как полиоксиметилен, что помогает клиентам преодолевать различные проблемы с герметизацией в одной остановке и работать вместе, чтобы достичь новых высот в отрасли.
Условия труда запечатывания
| Профиль | Модель | Температура (℃) | Скорость (м/с) | СМИ |
![]() |
RCF01 | -35 ~+100 (соответствующий уплотнительный кольцо NBR) | 6 | Гидравлическое масло, эмульсия, вода и т. Д. |
| -20 ~+200 (соответствующий уплотнительный кольцо FKM) | ||||
![]() |
RCF02 | -35 ~+100 (соответствующий уплотнительный кольцо NBR) | 6 | Гидравлическое масло, эмульсия, вода и т. Д. |
| -20 ~+200 (соответствующий уплотнительный кольцо FKM) | ||||
![]() |
RCF03 | -35 ~+100 (соответствующий уплотнительный кольцо NBR) | 6 | Гидравлическое масло, эмульсия, вода и т. Д. |
| -20 ~+200 (соответствующий уплотнительный кольцо FKM) | ||||
![]() |
RCF04 | -35 ~+100 (соответствующий уплотнительный кольцо NBR) | 6 | Гидравлическое масло, эмульсия, вода и т. Д. |
| -20 ~+200 (соответствующий уплотнительный кольцо FKM) | ||||
![]() |
RCF05 | -35 ~+100 (соответствующий уплотнительный кольцо NBR) | 6 | Гидравлическое масло, эмульсия, вода и т. Д. |
| -20 ~+200 (соответствующий уплотнительный кольцо FKM) |
Пример заказа:
Модель заказа RCF01-80-PTFE3-R01
RCF01-модель диаметром 80 вала PTFE3-Universal Modified PTFE R01-сопоставление код резинового материала
Нитриловая резина (NBR) -R01 Fluororubber (FKM) -R02
Модель заказа RCF02-80-PTFE3-R01
RCF02-модель диаметром 80 вала PTFE3 Генерал-модифицированный PTFER01 Код резинового материала
Nbr (nbr) -r01 fluororubber (fkm) -r02
Модель заказа RCFO3-80-PTFE3 -R01
RCF03-модель диаметром 80 вала PTFE3-генерал-модифицированный PTFE R01 Код резинового материала PTFE R01
Нитриловая резина (NBR) -R01 Fluororubber (FKM) -R02
Модель заказа RCF04-80-PTFE3-R01
RCF04-Model диаметром 80 вала PTFE3-генерал-модифицированный PTFE R01 Код резинового материала
Нитриловая резина (NBR) -R01 Fluororubber (FKM) -R02
Модель заказа RCF04-80-PTFE3-R01
RCF04-Model диаметром 80 вала PTFE3-генерал-модифицированный PTFE R01 Код резинового материала
Нитриловая резина (NBR) -R01 Fluororubber (FKM) -R02
Модель заказа RCF05-80-PTFE3-R01
RCF05-модель диаметром 80 вала PTFE3-генерал-модифицированный PTFE R01-сопоставление кода резинового материала
Нитриловая резина (NBR) -R01 Fluororubber (FKM) -R02
Технические характеристики:
| Технические характеристики RCF01 (можно предоставить продукты любого размера в диапазоне параметров) | ||||||
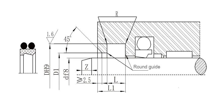
| Диапазон диаметра вала D F8 |
Диаметр канавки D H9 |
Ширина канавки L+0.2 |
Диаметр открытого отверстия D1 H11 |
Ширина открытой отверстия A≥ |
Округлые углы R≤ |
Диаметр провода уплотнительного кольца дюймовый0 |
| 19 ~ 39 | D+7.6 | 4.2 | D+1,5 | 3 | 0.8 | 2.65 |
| 40 ~ 69 | D+8.8 | 6.3 | D+1,5 | 3 | 0.8 | 2.65 |
| 70 ~ 139 | D+12.2 | 8.1 | D+2.0 | 4 | 0.8 | 3.55 |
| 140 ~ 399 | D+16.0 | 9.5 | D+2,5 | 5 | 1.5 | 5.30 |
| 400 ~ 649 | D+24.0 | 14 | D+2,5 | 8 | 1.5 | 7.00 |
| 650 ~ 1500 | D+27,3 | 16 | D+2,5 | 10 | 2.0 | 8.60 |
| RCF02, RCF03 Таблица параметров спецификации (можно предоставить продукты любого размера в диапазоне параметров) | ||||||
| Диапазон диаметра вала D F8 |
Диаметр канавки D H9 |
Ширина канавки L+0.2 |
Диаметр открытого отверстия D1 H11 |
Ширина открытой отверстия A≥ |
Округлые углы R≤ |
Диаметр провода уплотнительного кольца дюймовый0 |
| 4 ~ 11 | D+4.8 | 3.7 | D+1,5 | 2 | 0.4 | 1.8 |
| 12 ~ 64 | D+6,8 | 5 | D+1,5 | 2 | 0.7 | 2.65 |
| 65 ~ 250 | D+8.8 | 6 | D+1,5 | 3 | 1.0 | 3.55 |
| 251 ~ 420 | D+12.2 | 8.4 | D+2.0 | 4 | 1.5 | 5.30 |
| 421 ~ 650 | D+16.0 | 11 | D+2.0 | 4 | 1.5 | 7.00 |
| 651 ~ 1500 | D+20.0 | 14 | D+2,5 | 5 | 2.0 | 8.60 |
| Таблица параметров спецификации RCF04 (можно предоставить продукты любого размера в диапазоне параметров) | ||||||
| Диапазон диаметра вала D F8 |
Диаметр канавки DH9 |
Диаметр шага D1 H11 |
Ширина канавки L+0.2 |
Общая ширина L1 |
Круглые углы Rmax | Длина пачки Змин |
| 20 ~ 39,9 | D+7.6 | D+1 | 4.2 | 8.2 | 0.4 | 3 |
| 40 ~ 69,9 | D+8.8 | D+1,5 | 6.3 | 10.3 | 1.2 | 4 |
| 70 ~ 139,9 | D+12.2 | D+2.0 | 8.1 | 12.1 | 2 | 6 |
| 140 ~ 399,9 | D+16.0 | D+2.0 | 11.5 | 15.5 | 2 | 8 |
| 400 ~ 649,9 | D+24.0 | D+2,5 | 15.5 | 19.5 | 2 | 10 |
| 650 ~ 1000 | D+27,3 | D+2,5 | 18.0 | 23.0 | 2 | 12 |
| Таблица параметров спецификации RCF05 (можно предоставить продукты любого размера в диапазоне параметров) | ||||||
| Диапазон диаметра вала D F8 | Диаметр канавки DH9 | Диаметр шага D1 H11 | Ширина канавки L+0.2 |
Ширина боковой L1 |
Круглые углы Rmax |
Длина пачки Змин |
| 100 ~ 229 | D+22.2 | D+10.7 | 6.3 | 4.2 | 1.2 | 6 |
| 230 ~ 299 | D+24.2 | D+10.7 | 6.3 | 4.2 | 1.2 | 8 |
| 300 ~ 629 | D+33,0 | D+15.1 | 8.1 | 6.3 | 1.2 | 10 |
| 630 ~ 1000 | D+36,5 | D+15.1 | 9.5 | 6.3 | 2 | 12 |
Приложение:
В основном используется в сельскохозяйственном оборудовании, гидравлических прессах, машинах для формования инъекций, гидравлических системах управления, вилочных погрузчиками, роликовыми прессами, кранами, нагрузкой и разгрузкой и т. Д.











Адрес
№ 1 Ruichen Road, промышленный парк Дунлютин, район Чэнъян, город Циндао, провинция Шаньдун, Китай
Тел.
Электронная почта