Наша серия RCS, посредством профессионального дизайна и технического производства, отвечает разнообразным потребностям переворачивающихся уплотнений поршневого стержня, обеспечивая точные решения от общих сценариев до чрезвычайных условий труда.
С точки зрения структурного дизайна, основные модели сосредоточены на стабильности и простоте использования: RCS101/103 усиливает стабильность встраивания через уплотнительные кольца или вспомогательные губы, особенно для коротких ударов; RCS102/104R/117R поддерживает более высокие давления путем оптимизации совместимости материала и канавки (например, RCS102R для стандартных сценариев высокого давления в Groove). Для пневматических систем RCS105/205 принимает специальную конструкцию LIP для поддержания смазочной масляной пленки и адаптации к средам смазочной/не смазочной.
Seals Ruichen также фокусируется на материальных и функциональных инновациях. Такие модели, как RCS118/119/124-129, используют политетрафторээтилен (PTFE) или полиуретан в качестве основного тела, в сочетании с источниками Мандера или уплотнительных кольцами, чтобы сбалансировать давление, для достижения низкого трения, анти-сухих износа и коррозионного сопротивления, удовлетворения требований к чистоте и высокой температурной устойчивости к химическому и пище. RCS129 может образовывать систему герметизации с RCS101, которая подходит для ходьбы и тяжелого гидравлического оборудования; RCS126-128 оптимизирует уплотнение низкого давления посредством асимметричной конструкции V-Peece и настроен для фармацевтической и химической промышленности.
Для сложных условий труда RCS120/138 и других уплотнений двойного действия имеют интегрированную конструкцию опорного кольца, которая устойчиво к высокому давлению и искажениям и адаптируется к компактным канавкам; RCS131 является заменой уплотнительного кольца, которая является как устойчивой к экструзии, так и химической устойчивости и стал предпочтительным выбором для пищевой и фармацевтической промышленности. И RCS116/216 может быстро отремонтировать старые цилиндры с помощью установки приспособления для снижения затрат на простоя.
Серия RCS помогает клиентам справляться с высоким давлением, высокой скоростью, коррозионными средствами массовой информации и специальными отраслью, а также повышением надежности и жизни оборудования.
Особенности продукта и приложения:
Уплотнения уплотнения поршневого стержня подходят для гидравлических цилиндров и цилиндров, инженерных транспортных средств, сельскохозяйственного механизма, кранов и морского гидравлического оборудования, машин.
Используется в тяжелой промышленной технике, прессах, химической промышленности, быстрых нефтяных цилиндрах и промышленности по позиционированию пищевой промышленности, фармацевтической промышленности.
Преимущества
Уплотнения уплотнения поршневого стержня встроены в канавку стабильно, с широким диапазоном температур, превосходными статическими и динамическими характеристиками герметизации и сильной остаточной способностью к восстановлению масла в динамических условиях. Низкое трение, без ползучесть, высокая устойчивость к износу, низкие статические значения и трения, только хорошие антиэкстразирующие характеристики, хорошая теплопроводность и широкий диапазон температуры.
Подходит для старых поршневых стержней, открытый тип легко установить ползущий.

RCS101
Размер заказа
Φd ...... Внешний диаметр
Φd ...... внутренний диаметр
L ...... ширина канавки
| Поверхностная отделка | R tmax (мкм) | Ra (мкм) |
| Сколеваемая поверхность, соответствующая резиновым/полиуретановым уплотнениям Подписывающая поверхность уплотнения PTFE | ≤2,5 ≤2 | ≤0.1-0.5 ≤0.05-0.3 |
| Канавка снизу Канавка сторона | ≤6,3 ≤15 | ≤1,6 ≤3 |
| Отношение длины поддержки профиля TP | 50%-95% |
|
| Терпимость | |
| Φd | F8 |
| Φd | H10 |
Пример заказа
Модель: RCS101
Размер канавки: 100x115x10
Материал: RC-Pu-H

Тип уплотнения: RCS101, RCS102, RCS103, RCS104, RCS205, RCS106, RCS107, RCS108, RCS117, RCS121
Основное применение: подходит для гидравлических и пневматических цилиндров
Преимущества: стабильное встроение в бороздку, широкий диапазон температур, превосходные статические и динамические производительность герметизации, сильная остаточная способность экстракции масла в динамических условиях.
Материал: полиуретан, резина
| Примеры уплотнения канавки | Ниже приведены стандартные размеры канавки (могут быть произведены пылевые уплотнения любого размера в пределах диапазона размеров) | ||||||||
![]() |
![]() |
Φd | Φd | L | с/с | Максимальный разрыв экструзии | |||
| 100 баров | 250Bar | 400Bar | |||||||
| 5-24,9 | Φd+8 | 6.3 | 4 | 0.50 | 0.35 | 0.25 | |||
| 25-49,9 | Φd+10 | 8 | 5 | 0.50 | 0.35 | 0.25 | |||
| 50-149,9 | Φd+15 | 10 | 7.5 | 0.50 | 0.35 | 0.25 | |||
| 150-229,9 | Φd+20 | 14 | 10 | 0.50 | 0.35 | 0.25 | |||
| 300-499,9 | Φd+25 | 17 | 12.5 | 0.50 | 0.35 | 0.25 | |||
| 500-699,9 | Φd+30 | 25 | 15 | 0.50 | 0.35 | 0.25 | |||
| > 700 | Φd+40 | 32 | 20 | 0.60 | 0.40 | 0.30 | |||
| > 1000 | Φd+50 | 40 | 25 | 0.70 | 0.50 | 0.40 | |||

RCS109
Размер заказа
Φd ...... Внешний диаметр
Φd ...... внутренний диаметр
L ...... ширина канавки
|
Поверхностная отделка |
R tmax (мкм) |
Ra (мкм) |
|
Сколеваемая поверхность, соответствующая резиновым/полиуретановым уплотнениям Подписывающая поверхность уплотнения PTFE |
≤2,5
≤2 |
≤0.1-0.5
≤0.05-0.3 |
|
Канавка снизу Канавка сторона |
≤6,3 ≤15 |
≤1,6 ≤3 |
|
Отношение длины поддержки профиля TP |
50%-95% |
|
|
Терпимость |
|
|
Φd |
F8 |
|
Φd |
H10 |
Пример заказа
Модель: RCS109
Размер канавки: 100x115.1x6.3
Материал: PTFE3+NBR

Тип печать: RCS109
Основное применение: инженерные транспортные средства, сельскохозяйственное оборудование, краны, морское гидравлическое оборудование, машины.
Преимущества: низкое трение, без ползучести, высокая устойчивость к износу, только хорошие антиэкстразирующие характеристики, хорошая теплопроводность, стабильная канавка встраивания, широкий диапазон температуры.
Материал: тетрафторээтилен, нитриловая резина или фториновая резина
|
Примеры уплотнения канавки |
Ниже приведены стандартные размеры канавки (могут быть произведены пылевые уплотнения любого размера в пределах диапазона размеров) |
||||||||
|
|
|
Φd |
Φd |
L |
с/с |
Максимальный разрыв экструзии |
|||
|
100 баров |
200bar |
400Bar |
|||||||
|
5-7.9 |
Φd+4.9 |
2.2 |
2.45 |
0.30 |
0.20 |
0.15 |
|||
|
8-18.9 |
Φd+7.3 |
3.2 |
3.64 |
0.40 |
0.25 |
0.15 |
|||
|
19-37.9 |
Φd+10.7 |
4.2 |
5.35 |
0.40 |
0.25 |
0.20 |
|||
|
38-199,9 |
Φd+15.1 |
6.3 |
7.55 |
0.50 |
0.30 |
0.20 |
|||
|
200-255,9 |
Φd+20,5 |
8.1 |
10.25 |
0.60 |
0.35 |
0.25 |
|||
|
256-649,9 |
Φd+24 |
8.1 |
12 |
0.60 |
0.35 |
0.25 |
|||
|
650-1000 |
Φd+27,3 |
9.5 |
13.65 |
0.70 |
0.50 |
0.30 |
|||
|
> 1000 |
Φd+38 |
13.8 |
19 |
1.00 |
0.70 |
0.50 |
|||

RCS110-112
Размер заказа
Φd ...... Внешний диаметр
Φd ...... внутренний диаметр
L ...... ширина канавки
|
Поверхностная отделка |
R tmax (мкм) |
Ra (мкм) |
|
Сколеваемая поверхность, соответствующая резиновым/полиуретановым уплотнениям Подписывающая поверхность уплотнения PTFE |
≤2,5
≤2 |
≤0.1-0.5
≤0.05-0.3 |
|
Канавка снизу Канавка сторона |
≤6,3 ≤15 |
≤1,6 ≤3 |
|
Отношение длины поддержки профиля TP |
50%-95% |
|
|
Терпимость |
|
|
Φd |
F8 |
|
Φd |
H10 |
Пример заказа
Модель: RCS110-112
Размер канавки: 100x120x32
Материал: RC-Pu-H+Pom

Тип печати: RCS110-112, RCS126-128
Основное применение: для тяжелой промышленной машины, прессы
Преимущества: подходит для старых поршневых стержней, открытый тип легко установить Creeper
Материал: полиуретан, полиоксиметилен, нейлон
|
Примеры уплотнения канавки |
Ниже приведены стандартные размеры канавки (могут быть произведены пылевые уплотнения любого размера в пределах диапазона размеров) |
|||||
|
|
|
Φd |
Φd |
L |
с/с |
|
|
10-39,9 |
Φd+10 |
16 |
5 |
|||
|
40-74,9 |
Φd+15 |
25 |
7.5 |
|||
|
75-149,9 |
Φd+20 |
32 |
10 |
|||
|
150-199,9 |
Φd+25 |
40 |
12.5 |
|||
|
200-299,9 |
Φd+30 |
50 |
15 |
|||
|
300-599,9 |
Φd+40 |
63 |
20 |
|||
|
> 600 |
Φd+40 |
80 |
20 |
|||
|
> 1000 |
Φd+50 |
100 |
25 |
|||

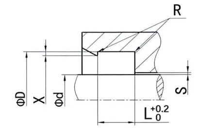
RCS119
Размер заказа
Φd ...... Внешний диаметр
Φd ...... внутренний диаметр
L ...... ширина канавки
|
Поверхностная отделка |
R tmax (мкм) |
Ra (мкм) |
|
Сколеваемая поверхность, соответствующая резиновым/полиуретановым уплотнениям Подписывающая поверхность уплотнения PTFE |
≤2,5
≤2 |
≤0.1-0.5
≤0.05-0.3 |
|
Канавка снизу Канавка сторона |
≤6,3 ≤15 |
≤1,6 ≤3 |
|
Отношение длины поддержки профиля TP |
50%-95% |
|
|
Терпимость |
|
|
Φd |
F8 |
|
Φd |
H10 |
Пример заказа
Модель: RCS119
Размер канавки: 100x109.4x7.1
Материал: PTFE2+NBR

Тип печать: RCS119
Основное применение: химическая промышленность, быстрые цилиндры и машины позиционирования. Пищевая промышленность, фармацевтическая промышленность.
Преимущества: устойчивые к высоким температурам и различным химическим средам, низкий коэффициент трения, отсутствие ползучести, хорошие характеристики сухого трения, низкие статические и значения трения.
Материал: PTFE+Leaf Spring
|
Примеры уплотнения канавки |
Ниже приведены стандартные размеры канавки (могут быть произведены пылевые уплотнения любого размера в пределах диапазона размеров) |
|||||||||
|
|
|
Φd |
Φd |
L |
R |
X |
Максимальный разрыв экструзии |
|||
|
100 баров |
200bar |
400Bar |
||||||||
|
10-19,9 |
D+4.5 |
3.6 |
0.4 |
0.6 |
0.15 |
0.10 |
0.07 |
|||
|
20-39,9 |
D+6.2 |
4.8 |
0.6 |
0.7 |
0.20 |
0.15 |
0.08 |
|||
|
40-119.9 |
D+9.4 |
7.1 |
0.8 |
0.8 |
0.25 |
0.20 |
0.10 |
|||
|
120-1000 |
D+12.2 |
9.5 |
0.8 |
0.9 |
0.30 |
0.25 |
0.12 |
|||
|
> 1000 |
D+19.0 |
15 |
0.8 |
0.9 |
0.50 |
0.40 |
0.20 |
|||



















































































Адрес
№ 1 Ruichen Road, промышленный парк Дунлютин, район Чэнъян, город Циндао, провинция Шаньдун, Китай
Тел.
Электронная почта